Emülsiyon Bitüm Santrali
- Giriş
- Ürünler
- Yeni Yapı Malzemeleri Makine
- Emülsiyon Bitüm Santrali

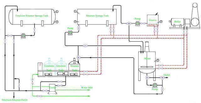
Adından da anlaşılacağı gibi, bitümlü emülsiyon santrali inşaat projesi için emülsiyon bitüm üretmek için uygulanır.Bitümlü emülsiyon genellikle yol için su geçirmez katman olarak kullanılır. Islak tabanı ile birlikte kullanılan, bitümlü emülsiyon önemli bağ kuvvetine sahiptir.
Bitümlü emülsiyon santrali ile üretilmiş bitümlü emülsiyon vb etkili şekilde ateşleme gibi sıcak bitüm kaynaklanan olayları ortadan kaldırır soğuk inşaat, yanık, zehirlenme, In için istihdam edilebilir, çünkü bizim inşaat malzeme makine iyi, müşterilerimiz tarafından alınır yüksek güvenlik katılma, çevre koruma, hem de gerçekleştirilebilir.
Bitümlü emülsiyon emek yoğunluğu azaltma ve verimliliği çalışma iyileşme sağlar, çünkü bitümlü emülsiyon makineleri, yol yapımı için ideal bir seçimdir.Inşaat makinaları kolay temizlik ek olarak, bizim bitümlü emülsiyon santrali düşük maliyetli yol yapımı için emülsiyon bitümlü üretmesine yardımcı olur.
Özellikler
| Ürün | HIM-EB-60 | HIM-EB-120 | HIM-EB-200 |
| Kapasite (t / h) | 6 | 12 | 20 |
| Boyut (U x G x Y) (m) | 5×2.2×2.5 | 6×2.5×2.8 | 12×9×4 |
| Ağırlık (t) | 7 | 10 | 15 |
| Kurulu Güç (kw) | 28 | 48 | 100 |
| Güç Kaynağı | 220V/380V, 50Hz | ||


English
Español
Русский
Français
العربية





